
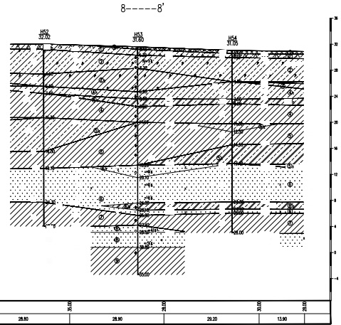
擬建場地位于北京市順義區(qū)后沙峪雙裕街南側,場地東側緊鄰地鐵15號線和京密路,交通較為便利。擬建場地由20-72地塊和20-81地塊兩部分組成,原為居民區(qū),已拆遷。
指標
土名
地層編號
承載力特征值
fak
(kPa)
壓縮
模量
Es(MPa)
變形
模量
Eo
(MPa)
極限側阻力標準值qsik(kPa)
極限端阻力標準值qpk(kPa)
混凝土預制樁
灌注樁
混凝土預制樁
灌注樁
素 填 土
①
/
4.5
/
/
/
/
/
雜填土
①1
/
/
/
/
/
/
/
粘質粉土
②
110
6.24
/
/
45
/
/
粉質黏土
②1
90
4.08
/
/
60
/
/
粘質粉土
③
140
6.64
/
/
55
/
/
粉質粘土
③1
120
4.84
/
/
55
/
/
粘土
④
120
5.27
/
/
60
/
/
粉質粘土
④1
130
6.49
/
/
60
/
/
粘土
⑤
120
6.24
/
/
65
/
700
重粉質粘土
⑤1
130
6.69
/
/
65
/
700
細砂
⑥
240
/
/
/
62
/
1300
中砂
⑥1
260
/
/
/
65
/
1600
粘土
⑦
140
7.53
/
/
60
/
740
細砂
⑧
280
/
/
/
72
/
1400
中砂
⑧1
300
/
/
/
75
/
1700
粘土
⑨
200
/
/
/
65
/
720